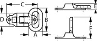
FOLDING STEP (SEA-DOG LINE) 2" 3-1/4" 4-5/16" 1-13/16" 13/16" 3-7/16"

Listing image Listing image
Specifications

Category Name Hardware-ladders/steps/swim Platforms Stock Number 354-3226201 Sale Type New
Manufacturer Sea-Dog Line UPC 35514322027 Hazard 9
LNSuse1 62357 LNSuse2 62512 LNSuse3 21793
ModuleID PF_53196 DMPPartNo 02-5376 KMSPartNo SDG 3226201
AS400Description CHROME BRASS FOLDING STEP VendorItemNumber 322620-1 WebLongDescription

Sand cast brass folding step with chrome plated finish. Use #12 fastener.

WebShortDescription

SeaDog 322620 Sand Cast Brass Chrome Plated Folding Step #12 Fastener

Price  
Description
3226201: Sand cast brass chrome plated.
3280201: Stainless steel.