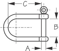
WIDE D-SHACKLE/MOORING BUOY SHACKLE (SEA-DOG) 1/4" 1-1/8" 1-11/16" Card

Listing image Listing image
Specifications

Category Name Hardware-shackles/thimbles/quick Links/turnbuckles Stock Number 354-1471861 Sale Type New
Manufacturer Sea-Dog Line UPC 35514147330 Hazard 9
LNSuse1 4560867 LNSuse2 4560866 LNSuse3 21793
ModuleID PF_4560819 DMPPartNo 08-0319 KMSPartNo SDG 1471861
AS400Description SS SHACKLE VendorItemNumber 147186-1 WebLongDescription

Constructed of forged 316 stainless the wide D-style shackle has straight sides with a U-shape rounded bottom. Designed for rigging applications with bi-directional loads. The U-shaped end can handle heavy loads, loads on the straight sides, however, may cause bending. The wide D-Shackles provide extra width for maximum mounting area. Ideal for use on mooring buoys.

WebShortDescription

Sea-Dog 1471861 Wide D-Shackle/Mooring Buoy Stainless Steel Shackle

Price  
Description
Constructed of forged 316 stainless the wide D-style shackle has straight sides with a U-shape rounded bottom. Designed for rigging applications with bi-directional loads. The U-shaped end can handle heavy loads, loads on the straight sides, however, may cause bending. The wide D-Shackles provide extra width for maximum mounting area. Ideal for use on mooring buoys.